Engine wiring84pmgr isuzu ftr wiring diagramjpg. Wiring diagram schematics for your isuzu truck npr get the most accurate wiring diagram schematics in our online service repair manual its important to stay well informed about your isuzu truck npr and especially important for diy types to have accurate wiring diagram schematics.
2005 Isuzu Npr Wiring Diagram
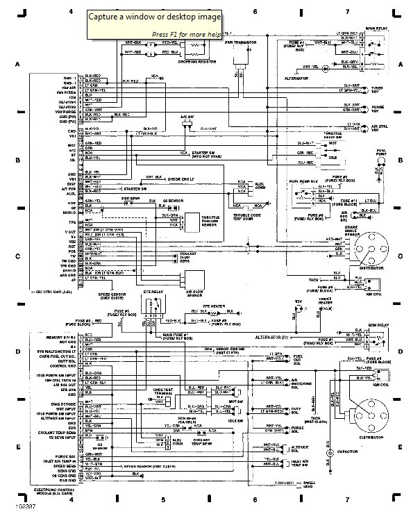
Isuzu truck wiring diagram. One of the most popular isuzu trucks at the time was the nqr 7175today it was replaced by the npr 75l model with a carrying capacity of up to 47 tons. Ishikawajima industrial group has launched a batch of cars. Wiring diagram schematics for your isuzu truck get the most accurate wiring diagram schematics in our online service repair manual finding accurate and up to date wiring diagram schematics for your isuzu truck isnt always easy. It is important that this car is offered with a choice of 2 wheelbase options. Therere some isuzu truck manuals pdf wiring diagrams above the page elf n series. Automotive wiring diagram isuzu wiring diagram for isuzu npr.
Mapsensorwirediagram202 isuzu ftr wiring diagramjpg. Isuzu wiring diagram. 1995 chevy silverado 1986 chevy truck chevy duramax chevy s10 s10 truck chevy impala trailer light. Isuzu cars ewds amigo hombre elf pick up trooper. Isuzu workshop manuals isuzu owners manuals isuzu wiring diagrams isuzu sales brochures and general miscellaneous isuzu downloads. Our isuzu automotive repair manuals are split into five broad categories.
They are not only equipped with their own equipment but also products of other well known suppliers of construction and road machinery. The vehicles with the most documents are the other model trooper and ascender. Isuzu is a japanese automobile company producing cars trucks and buses. Isuzu elf n series starting schematic wiring diagrampng. Isuzu n series a series of popular commercial vehicles from the japanese manufacturer isuzu produced for many markets under various brand namesso in japan and other countries with left hand traffic the car is known as elf while under the brand name n trucks are produced for the usa and other countries of north america as well as for europe. Isuzu car manuals pdf wiring diagrams above the page 4jji tc engine d max vehicross trooper.
3815 and 4475 mm. Feb 20 2017 automotive wiring diagram isuzu wiring diagram for isuzu npr. Two years later the first trucks were already assembled at. The history of the enterprise began in 1916. Isuzu pickup 44 efi fuse box wiring diagramgif. Isuzu vehicross 2000 2001 electrical wiring diagrams isuzu is one of the major manufacturers of diesel engines in the world.
Isuzu wiring diagram. 3102 isuzu ftr wiring diagramgif.

















