Describe and identify the diagram component q. Fitting the kit remove the negative earth battery terminal from the main starting battery make sure its tucked down the side of the battery out of the way.
Download 1999 Mazda Wiring Diagrams Automotive
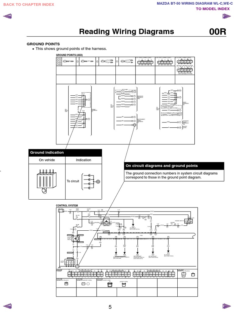
Mazda bongo wiring diagram pdf. November 1997 thru to january 1999 this manual is now available see the link below may 1995 thru to october 1997 this manual is now available see the link below. Describe the meaning of the dotted line in the diagram component p. Describe and identify the diagram component t. Mazda bongo workshop manual pdf mazda bongo friendee manual free download ボンゴフレンディ スプリング交換 ford freda owners manual mazda bongo diesel 1995 fuse layout mazda bongo manual pdf ford freda fuse box diagram mazda bongo fuse box diagram wiring diagram a rear fog light bongo friendee mazda e2200 fe 20 l. Mazda wiring diagrams worksheet 1 1. The club has two manuals at present.
Get your hands on the complete mazda factory workshop software 999 download now. Mazda fault codes dtc. Mazda bongo wiring diagram 1995 1997. Mazda auto mazda 2 2015 100462. Mazda introduced its small van the bongo in may 1966. Mazda bongo workshop manual 2008 2008.
Mx5 miata rx7 cx7 mpv mazda ewds. It also formed the basis for the long running kia bongo range. Mazda car manuals pdf wiring diagrams above the page 2 3 5 6 626 323 bongo familia. Identify the fuses used which circuits are affected by a given fuse which fuse controls a circuit light bulb types. Check out our popular mazda bongo manuals below. The vehicles with the most documents are the 2 protege and tribute.
Mazda owners manuals mazda wiring diagrams mazda sales brochures and general miscellaneous mazda downloads. Describe and identify the f in diagram component s. Ok the bongo wiring manuals are now available on line. If your bongo has twin batteries factory fitted then please contact me as extra work will need to be completed prior to fitting the kit. Mazda bongo wiring diagram 1995 1997. Describe and identify the rb in diagram component r.
Select a tab along the top of this section to. In 1920 the japanese company mazda was founded which in the first years of its existence was engaged in the creation of machine tools collaborating with the largest companies in the country. Mazda bongo workshop repair manuals. Mazda mazda bongo mazda bongo owners manual russian. Mazda bongo the mazda bongo also known as ford econovan is a van manufactured by the japanese manufacturer mazda since 1966. It has been built with rear middle as well as front mounted engines.
We have 1178 free pdfs spread across 29 mazda vehicles. Mazda mazda bongo mazda bongo workshop manual russian. Fuses general these pages apply only to pre 2001 bongo vehicles the bongo only uses 9 types of fuse across 3 fuse boxes and one fusible link for diesel engine types.

















