Offering 2200 starting watts 1800 running watts of clean power this inverter generator is ideal for powering all of your sensitive electronics. Ryobi rg6900k generator schematics diagrams schematics diagrams ryobi rg6900k generator schematics electric electronic hydraulic describe the internal technical diagrams of the product.
Ryobi Ry905500 User Manual 10
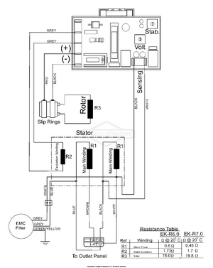
Ryobi generator wiring diagram. Ryobi portable generator rg 6900k. The ryobi 2200 starting watt inverter generator is the perfect power solution on the jobsite at home and for recreational use. It is easy and free. Ryobi inverter generator wont start surging carburetor cleaning ryi2200 duration. Ryobi portable generator 6700k. Ryobi generators parts with oem ryobi parts diagrams to find ryobi generators repair parts quickly and easily.
Aug 2 2019 ryobi generator wiring diagram. Unique ryobi generator wiring diagram. View download of more than 3374 ryobi pdf user manuals service manuals operating guides. Stay safe and healthy. The schematics are helpful to repair the product in case of dysfunction. For rjc an generators wiring diagrams.
James condon 16921 views. Call center open from home and warehouse shipping to all 50 states with some uspsupsfedex delays learn more order status customer support 512 288 4355 my account. Page 1 of 8 ask a question request a manual. Trimmer saw user manuals operating guides specifications. Please practice hand washing and social distancing and check out our resources for adapting to these times. Delivering 4000 starting watts and 3400 running watts of clean power this generator is perfectly safe for sensitive electronics.
Wiring diagram rg6900k bunch of wired got disconne. My ryobi generator run to lean with not enough pow. Yard sale ryobi generator will it run. For rjc an generators wiring diagrams. Complete exploded views of all the major manufacturers. Whether you need power for recreation activities or for emergency situations the ryobi 4000 watt inverter generator is the perfect solution for any scenario.
To test a capacitor it must first be removed from the generator and discharged. Unique ryobi generator wiring diagram. Homelite ryi2200 digital inverter generator wiring diagram exploded view parts lookup by model. To test a capacitor a multi meter that can test capacitance is required. With 3 step easy start and an on board monitoring system the ryobi 2200. Be careful when removing the wire leads that a short is not created across the capacitors terminals.
















