View link belt x4 series equipment. Link belt x3s are epa certified tier 4a compliant and feature the most fuel efficient and environmentally friendly isuzu engine ever used.
Us 182 5 27 Off Linkbelt Full Shop Manual Part Manual Schematic Circuit Circuit Manualpart Aliexpress
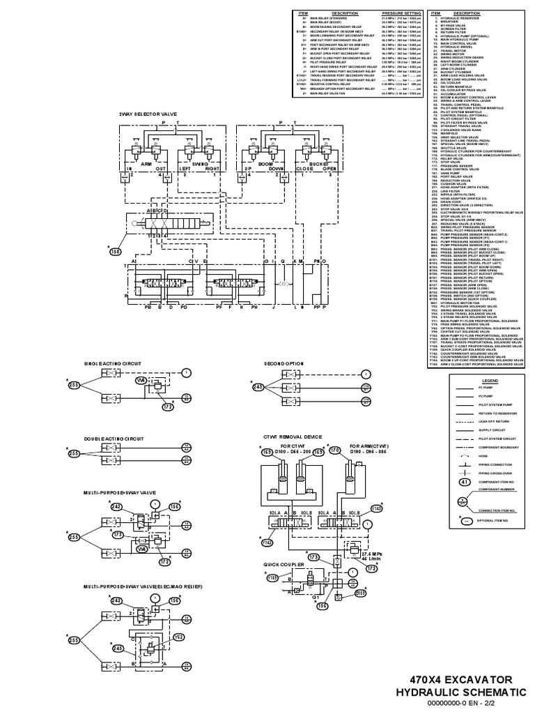
Link belt excavator wiring diagram. Articuled truck excavators wheel loader lbx fluid analysis guide lbx o ring kit information quick reference guide link belt quick reference guide service connector kit listing models. Assortment of link belt excavator wiring diagram. All technical publications including parts pages service manuals and operator manuals for virtually every link belt working crane are available on line through link belt preferred. Link belt ls 3400c 2 hydraulic excavator service shop repair workshop manual. Lbx company is pleased to announce that the link belt 245 x4 spin ace has won the equipmentwatch 2020 highest retained value award in the excavator crawler medium 211 500 mt category. A wiring diagram is a simplified traditional pictorial representation of an electrical circuit.
A wiring diagram is a streamlined standard pictorial depiction of an electrical circuit. Find out why they really are the ultimate machine. Link belt x4 excavators are final tier 4 certified and built to save money on fuel without sacrificing power. Link mega google drive contents. Link belt preferred gives link belt crane owners instant access to vital information via the web. The link belt 245 x4 spin ace excavator is perfect for urban construction or.
Crawler excavator link belt 4300 quantum sl electrical and hydraulic schematic set. Variety of link belt excavator wiring diagram. 1 5495 supersedes 5462 0906 n8 link belt cranes 108 hylab 5 upper structure frame all welded and precision machined surfaces. Articuled truck d16 d25d30d300 e30 excavators 2800a 3400a 5800a 7400a 2800b 2650c 2800c 3400c 4300c 5800c 1600cii 2650cii. Link belt excavator wiring diagram sample. Download or view spec sheets from our entire line of link belt equipment including the x4 series 40 series or link belt work tools.
Crawler excavator link belt 4300 quantum tl electrical and hydraulic schematic set. Link belt 4300 quantum hydraulic excavator service shop repair workshop manual. Make offer link belt ls 3400c 2 hydraulic excavator service shop repair workshop manual. It shows the parts of the circuit as streamlined shapes and the power and also signal connections between the gadgets. Crawler excavator link belt 5800 quantum operation and maintenance manual. Current literature can also be found at this customer focused site.
It shows the parts of the circuit as simplified shapes and the power as well as signal connections in between the tools. Winners were announced march 10 at conexpocon agg 2020 in las vegas nevada.
















