7 string wiring humbucker bridgedp701 middledp710 reverse neck ibz 5 way switch 1 volume 1 tone. The paf pro was created when chops intensive playing was first starting to happen and high gain amps and rack systems were becoming popular.
99 Best Guitar Electronics Pickups Pots Caps Wiring
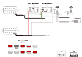
Dimarzio paf pro wiring diagram. For our paf 36th anniversary bridge we wanted to continue in the path of pioneers such as seth lover designer of the original patent applied for humbucker and create pickups that. 718 981 9286 toll free. Peter green mod wiring diagram 30 wiring diagram wiring from dimarzio paf pro wiring diagram sourcen 0co. The virtual vintage 54 pro uses the same groundbreaking technology as our area 58 and area 61 pickups. Please note if you have no previous experience with wiring or feel uncertain following the same diagram above you can use a three position on on on. The rg wiring diagram is down so are almost all rg wiring diagrams.
A soft magnetic field sweet tone perfect balance between warmth and clarity the ability to go from clean to distorted by pick attack alone. Joe wanted a neck position humbucker that combined the best qualities of the paf pro with those of a late 50s gibson humbucker. The schematic below shows the coils and their respective colors. For the paf pro neck pickup i reckon wire the red where the ibanez blue wire goes. Like all of the virtual vintage models its dead quiet. It has a warm smoky sound fattens up when you pick hard and has a special grade of alnico 2 magnet to reduce string pull.
60 new dimarzio paf pro wiring diagram graphics pleasant in order to the website in this moment i will teach you with regards to dimarzio paf pro wiring diagramand after this this is actually the 1st image. Neck neck middle middle bridge split middle bridge. Utilizing larry dimarzios 1959 cherry sunburst les paul for reference dimarzio used the same materials as 1959 gifted ears and decades of winding experience to create the new paf 59 pickups. Dimarzio paf pro wiring diagram. A pickup was needed that combined a lot of presence and cut with an open sounding paf vibe. The paf joe is the latest neck pickup we developed for joe satriani.
1388 richmond terrace po box 100387 staten island ny 10310 usa. 31082018 31082018 3 comments on dimarzio paf pro wiring diagram. The virtual vintage 54 pro replaces the virtual vintage 54 and virtual 2 middle pickups. Larry says the paf 59 neck and bridge models were built following an old family recipe we started with a 2 ½ inch degaussed alnico 5 magnet. Through the use of virtual vintage technology clear sounding low frequencies are blended with warm sounding mids and high frequencies which. Here are the characteristics that make a great vintage humbucker.
Joe describes this tone as being tubular. The dimarzio dp has a green red and a blackwhite wire.

















