Thanks for sharing toyota innova wiring diagram by yansen may 16 2012. This is a nice book that i am searching for.
Manual De Servicio Toyota Kijyang Innova Onnova 1kd 2kd
Wiring diagram innova. Thank you for sharing toyota innova wiring diagram. The toyota innova wiring diagram very good for beginner. This is the wiring diagram toyota innova efcaviation of a pic i get directly from the 1972 pontiac grand prix wiring diagram package. Please right click on the image and save the photograph. Wiring diagram toyota innova bagi rekan rekan jika mau download wiring diagram toyota innova ini link downloadnya. Toyota innova is the leading car in security technology.
Look at this this is the wiring diagram of the honda wave 125s. We also have some more illustrations linked to 1972 pontiac grand prix wiring diagram please see the graphic gallery below click one of the photos then the picture will be displayed large as shown above. You can save this photographic file to your individual computer. Where to download toyota innova wiring diagram tk 3101 manual interview question for network server engineer land rover defender workshop manual kz1000j owners manual maintenance manual kia soul 1 6 cvvt latex user manual lonely planet australia travel guide john e freund mathematical statistics with applications 7th edition. Honda wave series also known as honda nf series honda innova in europe and honda supra in indonesia is a series of small motorcycle models known as an underbone. I found this honda motorcycle wiring diagram on 4shared but unfortunately not very clear detailed picture there.
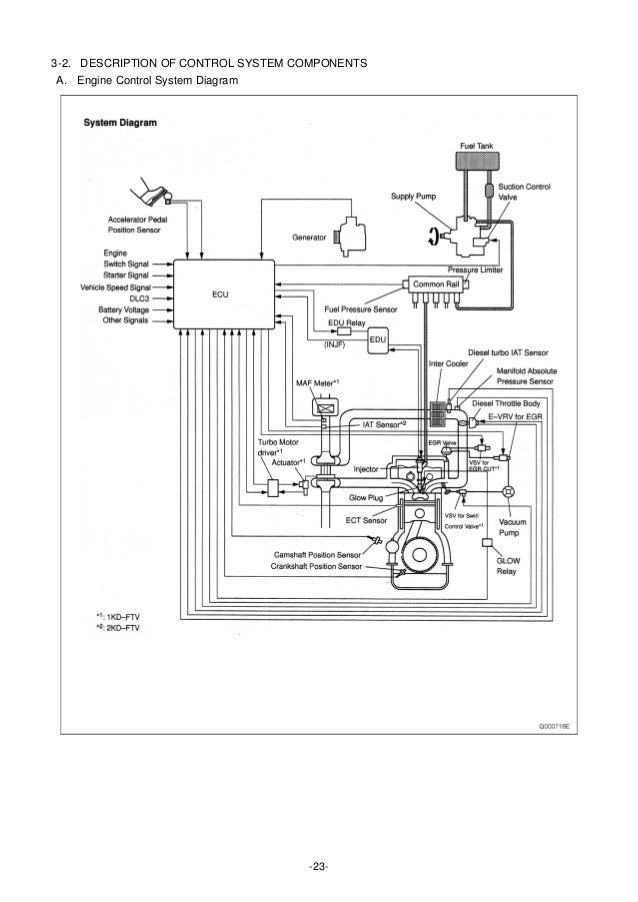
4 5 stars. If you are an expert people you can use this manual as reference. Wiring diagram electrical system suspension periodic lubrication steering cooling system fuel injection fuel system emission system heater air conditional engine control system chassis body restraint system interior differential drive axle.

















