Tb6560 6 wire diagram manual e books tb6560 wiring diagram wiring diagram contains numerous comprehensive illustrations that display the relationship of various items. Tb6560 wire schematic.
Tb6560 4 Axis Driver Board Adapter Cnc Router Mill Cut
Tb6560 wiring diagram. Tb6560 wiring diagram. Tb6560 wiring diagram unique. Zd 6428 tb6560 relay wiring diagram free diagram. Tb6560 6 wire diagram wiring diagram tb6560 wiring diagram wiring diagram includes numerous comprehensive illustrations that display the link of assorted products. 3 axis tb6560 cnc stepper motor driver board for nema 17 23. Otherwise the structure will not work as it ought to be.
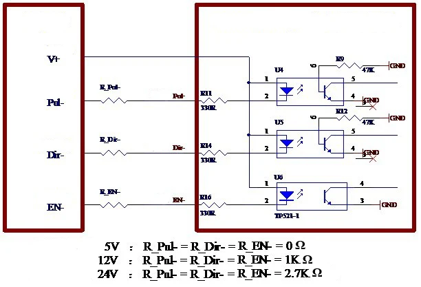
Controller interface voltage12v series connect a 1k resistance. Tb6560 wiring diagram tb6560 wiring diagram every electrical structure is composed of various unique pieces. Each component should be placed and connected with different parts in particular manner. En inputs high level or being hanged optocoupler u6 light off step motorworking. Controller interface voltage24v series connect a 27k resistance ps. Schematic diagram arduino with tb6560 driver tb6560 clk to pin 5 on.
Tb6560 driver board cnc router single 1 axis controller stepper motor drivers 3a. It includes guidelines and diagrams for different types of wiring methods along with other products like lights windows etc. Tb6560 3axis wiring diagram controller interface voltage5v no resistance. Tb6560 wire schematic. Zd 6428 tb6560 relay wiring diagram free diagram. It includes instructions and diagrams for various types of wiring techniques as well as other things like lights home windows and so on.
Fixing a chinese made cnc stepper motor driver board tb6560 chips.
















