Solar panel connection diagram. Although the solar arrangement in the solar panel wiring diagram above isnt the best for the long term life of your battery because there is more stress on the system it does provide a way to reach the capability of a bigger system without having to add more panels batteries.
Any Issues With Adding Fuses To My Dc Negative Inside The
Solar dcdb wiring diagram. I could get into the other 5 but it gets confusing pretty quickly and 4200 solar panels falls into that 95 that id wire in series. Easy and simple wiring diagram of solar panel. Sixteen panel solar system. I am not sure why you said 2pcs of 120ah12v battries in series. Using the solar light ic all you need is the solar ic an inductor and the ultra bright led to make the circuit. These diagrams are designed to be understood by a beginner for a safe and effective install with readily accessible components.
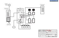
Acdb is used for electrical controlling of ac side in solar power plants using different sld single line diagram. Solar panel wiring is a complicated topic and we wont delve into all of the details in this article but whether youre new to the industry and just learning the principles of solar design or looking for a refresher we hope this primer provides a helpful overview of some of the key concepts. Lets know solar panel wiring diagram with battery charge controller inverter and loads. Solar panel wiring diagrams. Solar panel charge controller wiring intro. Basically that is 1500w 12 18000wh.
Solar light ics are very handy they have the dark detection circuit and the voltage multiplying led driver built into one small four pin component. Add the battery and the solar cell and you have a solar light. There are a few different ways to arrange panels batteries and connectors. Solar panel charge controller wiring diagram and step by step guide for off grid solar power system wiring. Connecting the solar panel charge controller mppt or pwm are the same solar battery and the pv array in the right way is the essential work before enjoying the solar energy. Acdb is a box containing components like spd surge protection device for.
Dividing by 50 depth of discharge as you choose flooded that is 180000536000wh or divde by 08 if for agm batteries that is 1800008 22500wh. All switches at the circuit breakers connectors confirm to iec 60947 part i ii and iii. Connection of solar panel. He needs batteres to supply the 1500w loads for 12hours at night. All switches at the circuit breakers connectors confirm to iec 60947 part i ii and iii. These solar panels in the diagram are wired in series and for 95 of applications i recommend wiring solar panels in series.
Connection diagram of solar panel with inverter and battery. Use the wiring diagrams below as a guide to putting together your diy solar panel system. Dcdb protect the solar panel solar inverter and solar battery from any type of damage in solar system. Connection of solar panels.















