Ranco controller wiring diagram wiring diagram technic architectural wiring diagrams measure the approximate locations and interconnections of receptacles lighting and long lasting electrical services in a building. Ranco digital temperature controller wiring diagram i cut apart a heavy gauge extension cord to use for my wall power connection and for the wiring i used to connect to my output plug.
Etc 111000 Ranco Etc 111000 Single Stage Etc Temperature
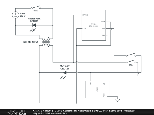
Ranco etc wiring diagram. For typical wiring diagrams refer to figures 4 5 and 6. A lot of homebrewers convert a chest freezer or refrigerator into a kegerator and they plug the fridge or freezer into an external controller to manage temperature. Assortment of ranco temperature controller wiring diagram. A wiring diagram is a streamlined traditional pictorial representation of an electric circuit. Wiring a ranco etc 111000 000 temperature controller for your kegerator. It reveals the parts of the circuit as streamlined forms and also the power and signal links in between the tools.
Typical vac wiring diagram. The etc is equipped with a. Interconnecting wire routes may be shown approximately where particular receptacles or fixtures must be on a common circuit. And if you want to go digital there is not a controller better suited for the job. The ranco etc is a microprocessor lcd display readout of sensor temperature control settings relay. The ranco etc is a microprocessor based family of electronic temperature controls designed to.
The ranco etc is a microprocessor based family of electronic temperature controls designed to provide onoff control for commercial heating cooling air conditioning and refrigeration. Inside the extension cord is a ground wire common wire and hot wire. Input and output wiring for typical wiring diagrams refer to figures 6 and 7.















.gif)
