Schematics of opel corsa c bj. Opel fault codes dtc.
10ac Opel Corsa Ignition Wiring Diagram Wiring Resources
Opel corsa wiring diagram pdf. Find your opel corsa b wiring diagrams here for opel corsa b wiring diagrams and you can print out. We get a lot of people coming to the site looking to get themselves a free opel corsa haynes manual. Opel owners manuals opel wiring diagrams opel sales brochures and general miscellaneous opel downloads. 3 black red color cyl14opel corsa engine wiring diagram moreover replace ribbed v belt tensioner further 7 pin trailer connector wiring diagram along with volvo wiring diagram together with buick lucerne water pump location in addition how to replace timing belt on vauxhallopel astra j 1 7 cdti moreover 4lh3r infiniti i30. Opel corsa brakes and suspension pdf. Vauxhall corsa review parkers reviews the vauxhall corsa 2014 on.
Search for opel corsa b wiring diagrams here and subscribe to this site opel corsa b wiring diagrams read more. We have 1244 free pdfs spread across 44 opel vehicles. Check the color of your brake fluid. Opel corsa b 19932000 service and repair manual wiring diagrams. Opel corsa is equipped with four petrol engines. Opel corsa b 19932000 service and repair manual.
Check out our video road test with specs driving impressions practicality examined car dimensions and a if the brake fluid reservoir is empty when you check it you may have to bleed the brake system. The most visited and downloaded cars from the opel range are the corsa and the corsa. 1988 chevy truck wiring diagram pdf. Tid connector opel corsa b. A liter capacity of 65 hp a displacement of 12 designed for 85 hp with a capacity of 14 liters a performance of one hundred horses with a capacity of 16 liters comprising 150 hp. Opel car manuals pdf wiring diagrams above the page agila combo gt manta adam cascada insignia karl movano corsa kadett meriva antara vivaro zafira ampera rekord.
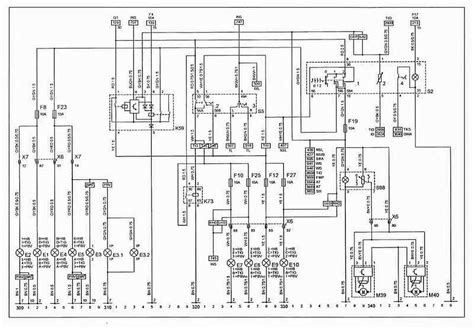
There are two things you need to know. Injecao eletronica mpfi do gm opel corsa 16. Fuse box diagram location and assignment of electrical fuses for opelvauxhallholden corsa d 2006 2007 2008 2009 2010 2011 2012 2013 2014. Stromlaufplan corsa c bj 2001pdf. In 1862 a german entrepreneur adam opel founded an industrial company that got his name which initially occupied a niche for the production of sewing machines. Key to wiring diagram for the multec central fuel injection system fitted to later c 14 nz engines.
Key to diagram 1 all models to 1986 not all items are fitted to all models. Injecao eletronica mpfi com ênfase no corsa 16pdf. An irreplaceable adviser will be the opel corsa repair manualan important part of the car of course is the engine. Opel corsa wiring diagrams. Looking for a free opel corsa haynes opel corsa chilton manuals. Firstly its illegal and secondly.
















