The relays and fuses are located in the side console underneath cover a. Jcb pdf jcb 3cx 4cx eco operators manual for the backhoe loader jcb 3cx pdf.
Jcb 214 Loader Backhoe Wiring Diagram
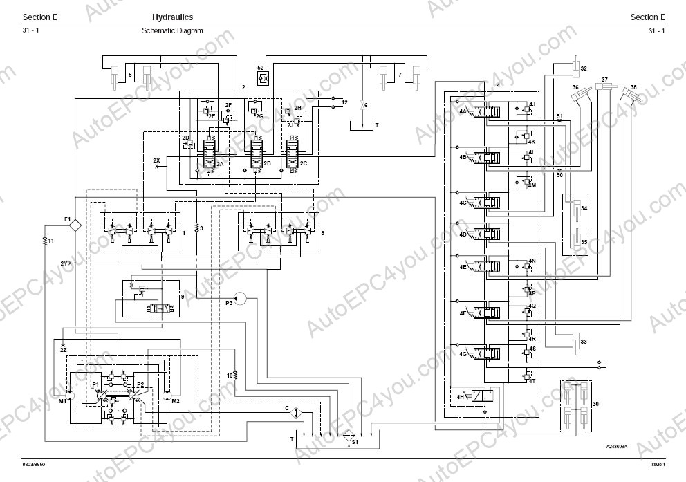
Jcb wiring diagram. Rich wednesday 02 october 2019 1443. Jcb was founded in 1945. Find your jcb wiring diagrams here for jcb wiring diagrams and you can print out. Does anybody have a wiring diagram for an f plate 3cx. Need wiring diagram for jcb rock saw attachment 332l7269 rs24hf sn 2029466 12. However soon the loan canceled and had to urgently return the funds.
If you are the copyright holder of a user manual please contact us by mail and we will remove it from the site and leave a link to your store if there is one. I have downloaded the manual from the download section but this seems to be forjul 01 hello everyone i urgently need a wiring diagram for a jcb. After the first successful sales decided to take a loan for business development and received approval from the bank. History of jcb tractors. Get free help tips support from top experts on wiring diagram jcb 3cx related issues. Jcb 3cx 4cx.
Search for jcb wiring diagrams here and subscribe to this site jcb wiring diagrams read more. Find solutions to your wiring diagram jcb 3cx question. Some jcb tractor manuals wiring diagrams pdf are above the page. Jcb pdf service manuals fault codes and wiring diagrams. Jcb 3cx 4cx fuse box diagram. Jcb pdf jcb 3cx 4cx eco operators manual for the backhoe loader jcb 3cx pdf.

















