Therefore when first starting a new vehicle it is normal to take 2030 seconds. Page 1 owners manual for dinli atv 50 110 cc.
37e0 Dinli Beast Wiring Diagram Wiring Resources
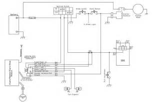
Dinli 90cc atv wiring diagram. Chinese dirt bike parts. Wiring diagram for baja 110cc atvs. Atv 150cc service manual. Therefore when first starting a new vehicle it is normal to take 2030 seconds. Dinli atv ignition system tests to override the safety brake switch and the tether cord unplug the two wires connected to them and plug them into each other. Dinli accessories parts manual.
Before the delivery of each new vehicle from dinli factory the fuel in carburetor is drained off to ensure the excellent performance and safety of the vehicle. Preface dear dinli atv users. Chinese atv wiring diagrams. Dl 501 service manual dino mini rex dl 502 service manual jp50. Study this manual thoroughly and enjoy. Electrical doc 2 atv ignition remote control kill tests.
Hanma atv parts dinli atv parts performance engine parts. Before the delivery of each new vehicle from dinli factory the fuel in carburetor is drained off to ensure the excellent performance and safety of the vehicle. Dear dinli atv users. The cdi works and you will be able to fix it without a wiring diagram. To override the safety brake switch and the tether cord unplug the two wires connected to them and plug them into each other. This is a 2003 dinli.
The quality of each dinli atv is guaranteed. Download pdfword service manuals. 110cc atv 90cc atv 70cc atv 50cc atv chinese atv parts roketa atv. Dinli wiring schematic rh signaturepedagogies org uk electrical dinli atv wiring diagram cc quad 90cc custom o motorcycle starter rhkazuma 90cc atv wiring diagrams thank you for visiting our site this is images. Dl 601 dl 603 service manual. If there is a no spark condition is still present perform the following test.
Chinese atv 110 wiring diagram. Stator pulsar pickup coil blk whrd 500 ohms 20 charge coil blk blkrd 800 ohms 20. Easy fix for no spark on a dinli or polaris 90cc fourwheele atv quad without wiring diagram.














