Next find the ignition wire on the vehicle and connect it to the ignition input in the fuse box. Securely attach the wiring harness to the calamp and find a constant 12 vdc power source.
Car Diagnostic Tools Page 10
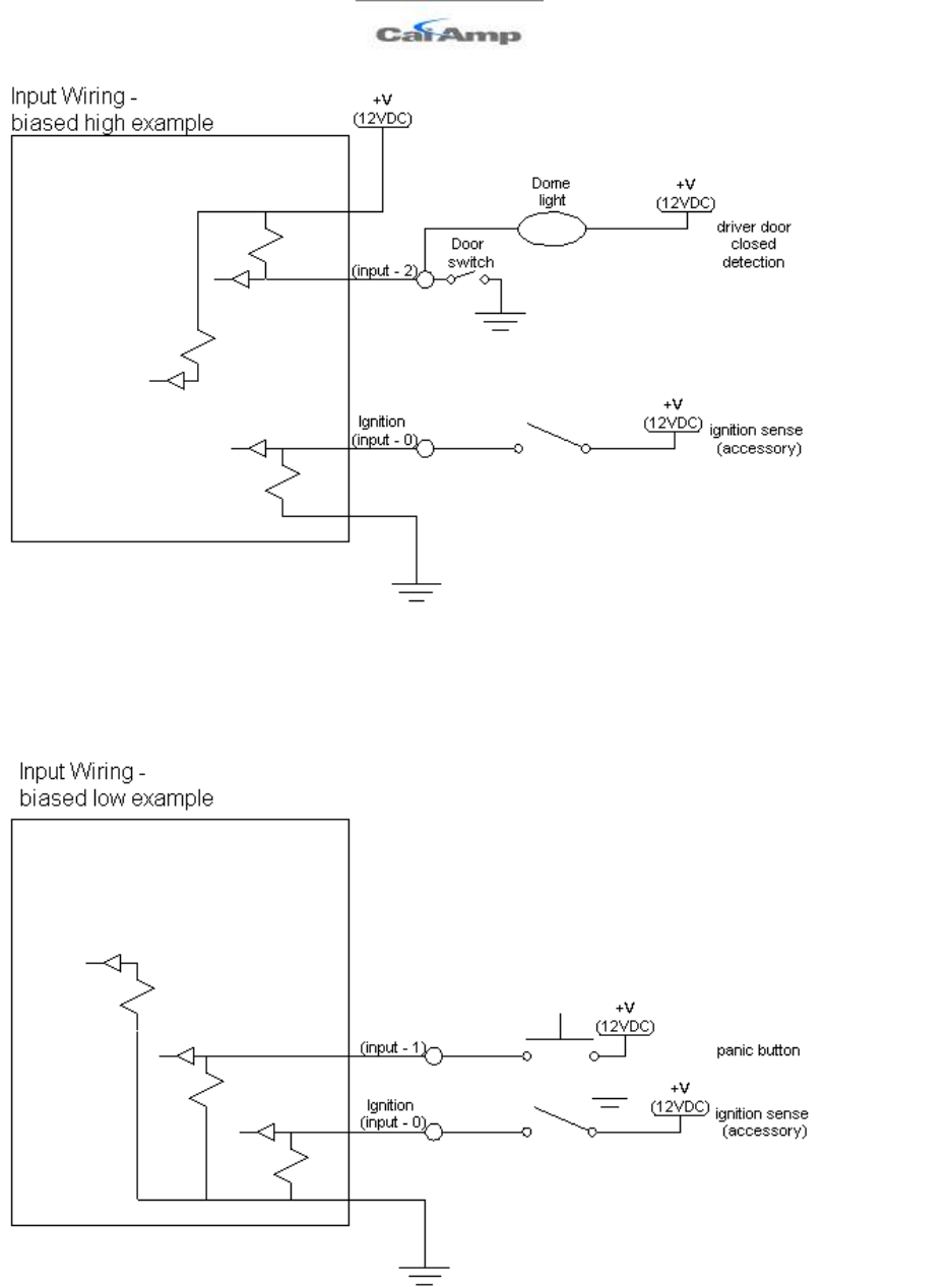
Calamp lmu 2630 wiring diagram. Calamp lmu 26xx install guide mbud 0199v40 page 3 3 lmu 26xx overview the calamp lmu 26xx is an integrated cellulargps communications device for use in vehicle tracking. Calamps extensive portfolio of intelligent communications devices. The lmu 2630 is a robust affordable device you can count on for avl and fleet applications. 13 about the calamp location messaging unit ttu 2830 the calamp location and messaging unit ttu 2830ttu 2830 is a mobile device that resides in private commercial or government vehicles. Finally connect the ground wire on the harness to the vehicle ground chassis. This harness requires hard wiring of the power ground and ignition wire.
Connect the constant 12 vdc power source to the red wire on the tracking device. These solutions enable customers to optimize their operations by collecting. So if youd like to get the awesome shots related to calamp lmu 1230 wire diagram awesome click on save button to save the photos in your personal pc. It provides communications for vehicle position and operating information as part of an overall vehicle tracking solution. The lmu 2630 incorporates gsmgprs cdma 1xrtt or hspa communication along with extra sensitive gps a powerful processing engine and a triple axis accelerometer that detects and acts on hard braking aggressive acceleration or vehicle impacts. This harness requires hard wiring of the power ground and ignition wire.
Calamp lmu 26xx install guide 31 available wiring harness the lmu 26xx ships with the 5c908 wiring harness. The 5c260 is an optional cable with multiple connectors for standard io devices such as buzzer light and driver id sensor. Calamp lmuxx install guide available wiring harness the lmuxx ships with the 5c wiring harness. Calamp lmu 30xxcvf 3030 obd ii extender cable install guide page 4 mbud 0268v14 31 lmu 30xxcvf 3030 environmental specifications the lmu 30xxcvf 3030 device is designed to operate in the following specified environments. The ttu 2830is a single box enclosure incorporating a processor a gps receiver a wireless data modem and a vehicle rated power supply. General specifications communication modes.
Cellular and sms location technology. The 5c is an optional cable with multiple connectors for standard io. Resource request form please complete to access the requested calamp resource. Streamline otherwise complex machine to machine m2m deployments.















