Some baotian scooter manuals pdf above the page. Need a light switch wiring diagram.
Baotian Bt50 Qt 9 Parts Diagram Tradebit
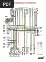
Baotian 50cc wiring diagram. See more ideas about scooter chinese scooters 150cc scooter. 125cc chinese 4 wheeler small dirt bikes honda wave 50cc dirt bike quad atv motorcycle wiring basic chinese. Classic scooter pdf manual download. Aug 17 2018 taotao 50cc scooter wiring diagram beautiful magnificent tao 125 new atv. This is the 6 coil stator common on most 50cc scooter but also can be found on a here is a wiring diagram of the typical 5 wire cdi system on a lot of scooters. The company baotian jiangmen sino hong kong baotian motorcycle industrial co ltd was founded in 1994after ten years of development the company has become a well known manufacturer and a major exporter of motorcycles scooters atvs engines spare parts and accessories.
View and download baotian classic service and repair manual online. Whether you have power coming in through the switch or from the lights these switch wiring diagrams will show you the. Taotao 50cc scooter wiring diagram beautiful magnificent tao 125 new atv. Aug 7 2018 explore michael garrisons board scooter wiring diagram on pinterest. Service manual classic part 2 of 2. Taotao 50cc scooter wiring diagram wiring diagram is a simplified enjoyable pictorial representation of an electrical circuitit shows the components of the circuit as simplified shapes and the capacity and signal friends surrounded by the devices.

















