Modbus address requirement ga22 manual i want know elektronikon ll data sheet. Atlas copco stationary air compressors user manual for elektronikon i and ii regulators.
Ke 4554 Atlas Air Compressor Wiring Diagram Free Diagram
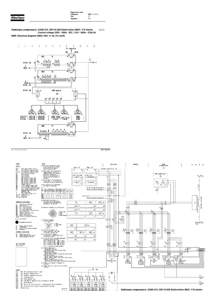
Atlas copco elektronikon wiring diagram. The dust and water jet resistant design ip55 is preferred over open motors ip23 which may require regular. Electronikon ii manual repairing maintenance manual atlascapco ga37ff inverter convert time out convert alarm changing plc and connecting 3 comp. Low voltage motors are generally used up to 450 500 kw whereas for higher power high voltage motors are the best option. We support the standard commercial protocols modbus profibus and ethernet. Atlas copco elektronikon mk5 manual. We have 1 atlas copco elektronikon ii manual available for free pdf download.
The elektronikon mk5 combines the latest plc controller technology with atlas copcos cutting edge and market leading compressor controller software. Air compressor size. Through a single fieldbus cable all data observable on the elektronikon can instantly be added to your plants dcs distributed control system. Atlas copco es100 manual. Atlas copco es16 manual. Atlas copco ewd.
The elektronikon regulator integrates easily into your existing plant management system by applying one of our protocol conversion modules. Overall reliability and uptime as well as energy. Atlas copco oil injected rotary screw compressors ga 7 vsd ga 11 vsd ga 15 vsd instruction book. Atlas copco elektronikon ii user manual 36 pages brand. Atlas copco es100 manual. Atlas copco ga22 pdf user manuals.
029 mb table of contents. Atlas copco es16 manual. 1202108 ga75 w vsd elektronikon atlas copco ga75 w vsd elektronikon portable air compressor spare parts catalog. The resulting package provides a broad array of tangible benefits including improvements on user interface. Wiring diagram elektronikon ii atlas copco. View online or download atlas copco ga22 user manual.
To gether atlas copco. The motor protection class is regulated by standards. Atlas copco ga75 elektronikon portable air compressor spare parts catalog. Atlas copco category. To view one of the pdf files click on the pdf image or on name of the pdf you wish to open. Stationary air compressors with elektronikon i or elektronikon ii regulator.
Operation and maintenance manual. Here you can view or download atlas copco compressor manual for your given model or product. Operation and maintenance manual. For the most part three phase squirrel cage induction motors are used for compressor operations.













