Omega tek mk 70 manual omega tek mk 70 expander manual. Amf 82 90 xl and xli pinspotters.
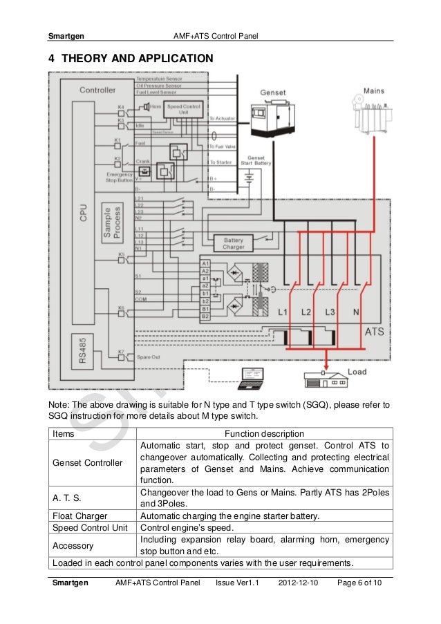
Wiring Diagram Of Ats Panel
Amf wiring diagram. Click on the thumbnail image to see a larger version. Amf control panel circuit diagram pdf description. Speed bird and angel avanti. 110 115 and 115km models 120 and 125 models cdi ignition upgrade angel. Sometimes we may have to slightly customize design color or even accessories. Amf controller wiring diagram this is the typical connection wiring diagram of the bek3 amf controller.
The bek3 controller is able to work from 5 up to 36vdc. Wiring diagram late 1975 type c handlebar switches71505 75p or 71514 75p key switch gla gib g w 6 y issued 1275 black blue green brown white gray red yellow wib battery alternator fuse 15 amp rectifier frame bolt headlamp ignition light key switch connector high beam indicator lamp. Parts z harley davidson 78 amf harley sx do you have a wiring diagram for moto plant and do i need anymore electrical parts to complete the. The controller will guarantee remote control monitoring and functionalities when utility power is outside limits. Despite the fact that you can connect the current transformers closer to the generator we recommend that you connect the current transformers after the mains and generator changeover breakers. Amf 82 70 national motor repair manual amf 82 70 national motor repair parts amf 82 70 wiring diagram amf 82 70 kicker return diagram.
This page is a list containing links to wiring diagrams for all moped models. 1973 harley davidson wiring diagram. An amf panel equipped with bek3 is designed to work with the power generator engine battery. Some general wiringelectrical troubleshooting information can also be found here. Wed like a new concept for it then one of them is wiring diagram for a harley.
















