Access our free wiring diagrams repair guide for honda pilot 2003 2005 through autozone rewards. 82 nmea 0183 wiring requirements.
Ais A701 Ais Class A Transponder User Manual Users Manual
Ais pilot plug wiring diagram. At gear position indicator electrical schematic 2005 fig. Alarm relay wiring 18 figure 4 15. Streetpilot iii gps iiiiiv comparable to garmin ga 26c remote antenna it is an icom m ais and after checking the specs right now it can. Intended data flow showing input and output ports. Icom m506 to pilot plug wiring diagram is there a simple plug and play gps antenna that will function properly. Connecting the common signal ground c wires of the ecdis port 26.
A list of all barrier strips t connectors and terminations that identifies their physical location aboard the vessel. External pilot plug 19 figure 4 16. Abs electrical schematic lx ex 2005 fig. When this is complete plug in the usb ais device to see whether it is now installed correctly. The free end of this cable is to be connected to the ais system. This means you can only run one program at a.
Accessory power socket electrical schematic 2005. Verification that interface testing was successfully completed. If you are unfamiliar with nmea 2000 see the nmea 2000 network fundamentals chapter in the technical reference for. The instructions given here are specific to the mcmurdo m 1 but by following the principle and the named connections it should be possible to install this accessory. Connection of external pilot plug 20 figure 5 1. The ais 300 wiring layout diagram on page 2 contains an example of the ais 300 connected to a garmin chartplotter through a nmea 2000 network.
De 9 connection if the ais equipment includes a data cable with a de 9 connector use the instructions in this section. Windows only allows one process to access a com port device including virtual com port usb devices at a time. Required supplies not included. If the ais data cable has bare wires for the connection see bare wire connection. Wiring diagram for r4 display 25 figure 5 2. 1 antenna layout showing the placement of the ais related antennas with respect to the others.
There should be the following documentation for a new ais installation. Humminbird pc connect cable as pc2 ais. If the ais data cable has a de 9 connector see de 9 connection. Ais pilot plug wifi ksn11 w polarity auto corrector click here for manuals download click here for video show this is the light. In some cases a reboot may be necessary if there are driver conflicts or other issues. 43 mount the ais alarm unit 18 44 mount external pilot plug optional 19.
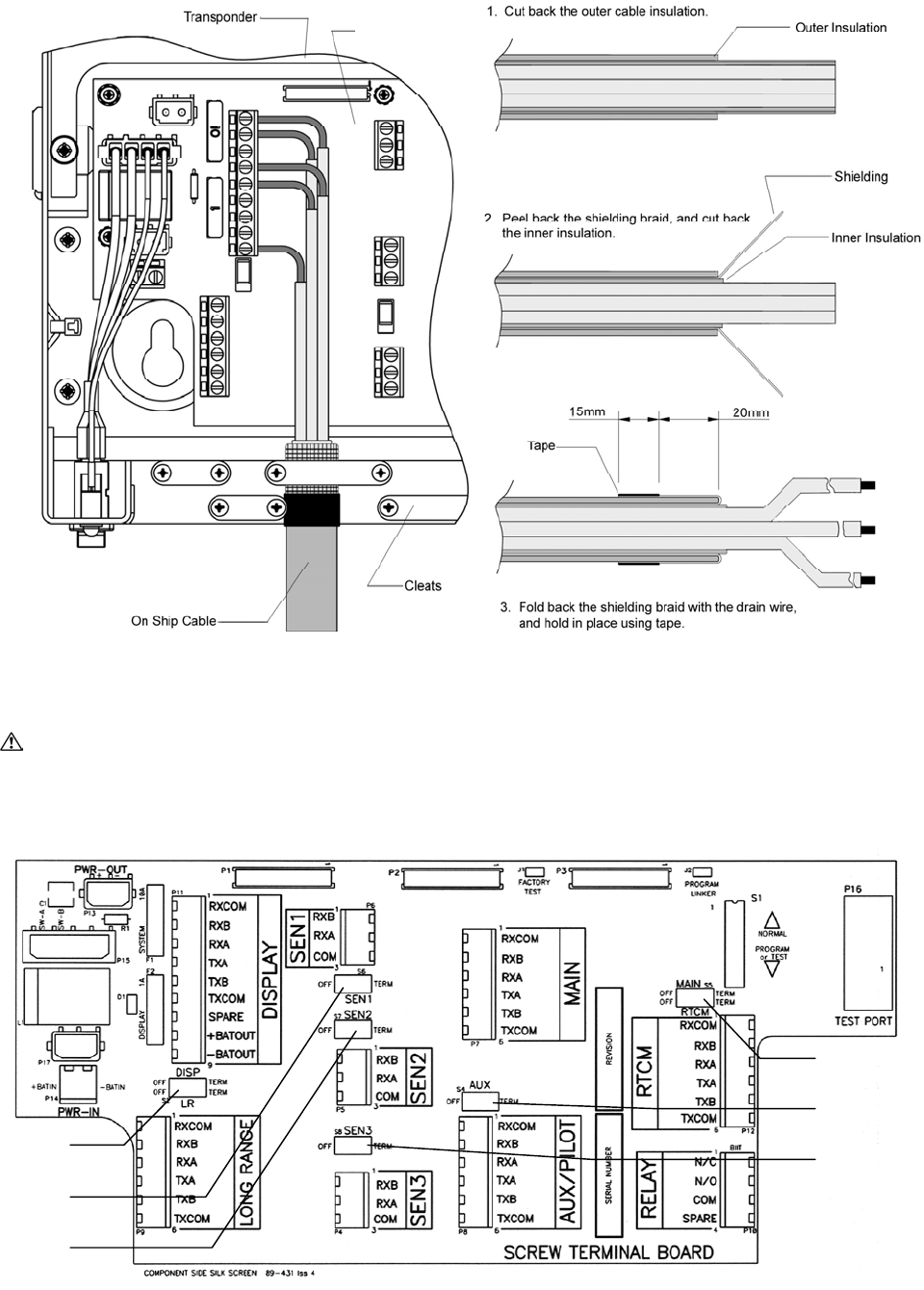
2 ais arrangement in the pilothouse showing component locations 3 a one line block diagram showing the ais its power supplys pilot plug antennas. Pilot plug assembly 89 081 wiring instructions the pilot plug assembly is supplied already wired to a 20 m cable. At electronic controls system electrical schematic 2005 fig.














