A wiring diagram is a simplified conventional photographic depiction of an electrical circuit. The stereo wiring diagram listed above is provided as is without any kind of warranty.
2000 Ford Taurus Amp Mercury Sable Wiring Diagram Manual
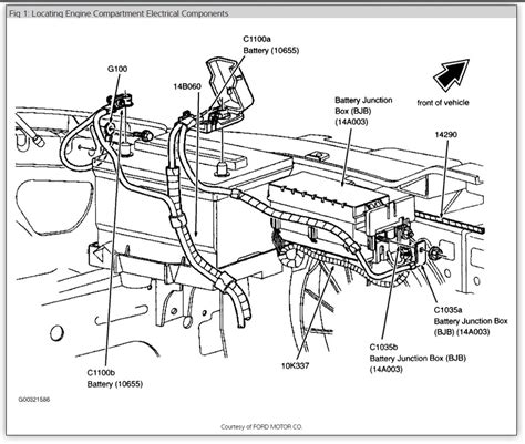
2000 ford taurus wiring diagram. 2 responses to 2000 ford taurus. We also have some more pictures associated to 2008 ford taurus radio wiring diagram please see the graphic gallery below click one of the imagines then. It reveals the parts of the circuit as simplified shapes as well as the power and also signal links in between the gadgets. Read more 2000 ford taurus car radio stereo wiring diagram. August 27 2018 by larry a. 2000 system wiring diagrams ford taurus pavlin fig.
Whether your an expert ford electronics installer or a novice ford enthusiast with a 2000 ford taurus a ford car stereo wiring diagram can save yourself a lot of time. 30l flex fuel engine performance circuits 2 of 4 2000 ford taurus ses sunday november 27 2005 0745pm page 22. If you should be satisfied with. This is the 2000 ford taurus radio wiring diagram of a photo i get off the 2008 ford taurus radio wiring diagram package. Please right click on the image and save the illustration. Assortment of 2000 ford taurus wiring schematic.
Blower motorrelaywiring diagramtrouble shoot the blower motor on my 2000 ford taurus does not work. We have collected many pictures ideally this image is useful for you as well as aid you in discovering the solution you are seeking. Ford sierra wiring diagrampdf. 2000 ford taurus radio wiring diagram fresh 2003 ford escape radio wiring diagram we collect plenty of pictures about 2000 ford taurus engine diagram and finally we upload it on our website. 2000 ford taurus fuse box diagram thanks for visiting my internet site this post will review concerning 2000 ford taurus fuse box diagram. It reveals the parts of the circuit as streamlined shapes as well as the power as well as signal connections between the tools.
A wiring diagram is a streamlined traditional photographic depiction of an electrical circuit. Use of the information above is at your own risk. Ford s max 2006 electrical wiring diagramrar. You can save this graphic file to your individual laptop. Wellborn assortment of 2000 ford taurus wiring diagram. Many good image inspirations on our internet are the most effective image selection for 2000 ford taurus engine diagram.
The ac works and i replaced the relay and tested the fuse for the blower circuit. One of the most time consuming tasks with installing an after market car stereo car radio car speakers car subwoofer car amplifier mobile amp car. Ford orion 1990 1999 electrical wiring diagrampdf.














