Page 3 5 siemens industry inc. Programmer internal wiring diagrams the mains supply must be isolated before replacing an existing.
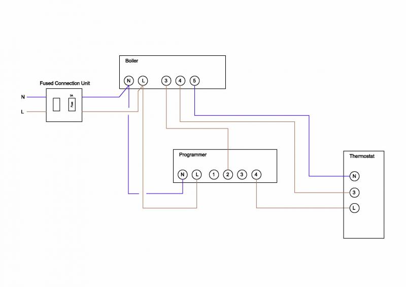
Thermostat Timer Amp Boiler Wiring Diynot Forums
Siemens rwb7 wiring diagram. Low voltage switchgear and other power distribution equipment. Question about wt79020eu electric dryer. The rwb7 is supplied with the industry standard backplate to which the system must be wired. View and download siemens rwb1007 user instructions online. Rwb1007 timer pdf manual download. Use the tool below to quickly find and download one line diagrams.
Your manual can be found here. Get siemens rwb7 timeswitch instruction siemens rwb7 users manual hi and welcome to fixya. Only conduit boxes which comply with bs1363 or bs4662 single gang should be used. Wiring diagrams size 1 4. 3333 old milton parkway alpharetta ga 30005 siemens nema control 87 cut sheet1. Wiring diagrams for typical tiastar units tool.
2 jul 2017 save this book to read siemens rwb7 timeswitch instruction manual pdf ebook at our online library. The backplate can be fitted directly to the wall or onto a conduit box. Landis staefa product as listed below no wiring changes are required with the exception of the rwb3 which will require a link inserted from l to 2 on the existing backplate rwb3 rwb7 rwb30 rwb50 rwb100 rwb152 rwb152cw rwb170 and rwbxt. Siemens 7 day or 5day 2 day timer. Siemens motor control center wiring diagrams are at your fingertips within seconds. If the rwb27 is replacing another landis gyr or landis staefa product.
1 answer rwb1001 user instructions.










