Consult lovato electrics entire wiring diagrams catalogue on directindustry. Lovatoengineandgencontrollerspdf free download as pdf file pdf text file txt or read online for free.
Unita Di Controllo Per Gruppi Elettrogeni Control Unit For
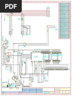
Lovato 31 rgam 12 wiring diagram. Add to dashboard remove keyword popularity. 66 31 43 44 1422 21. Connection via standard modem when there is a long distance between pc and rgam a remote control can be established using a set of. 13 33vdc rs232 port for remote mains voltage control circuit single or. Three pole contactors inac bg06 a bg09 a bgf09 a bgp09 a bg12 a bf09 a bf12 a bf18 a. 100 out of 1000 most relevant lovato 31 rgam 12 programing manual websites.
Electric components lovato regulator lovato 31 rgam 12 31rgam12 all used units are powered up and tested as far as we have knowledge to. We are unable to fully test some advanced units but most is fully tested. Promote your products on directindustry. Refer to the wiring diagram given in appendix a for the relative connection. In this case the pc must be connected to the modem through the cable supplied with the modem. Lovato 31 rgam 12 wiring diagram on mainkeys.
100 out of 1000 keyword advertise. Analytics for lovato 31 rgam 12 programing manual. Rgk 50 gen set controller 1224vdc graphic lcd with rs232 port without amf function 0750 rgk 60 gen set controller 1224vdc graphic lcd with rs232 port 0750 interface software 31 rgam sw remote control communication software for rgam 12 rgam 12rc rgam 24 rgam 24rc units 0246. Rgam series order code aux. During breaker testing contacts 57 58 and 65 66 switch only. Layouts refer to the wiring diagrams in appendix a at the end of this manual.
This solution provides a reliable and permanent connection suitable for any industrial ambient for distances up to 1 km. Scribd is the worlds largest social reading and publishing site. 100 out of 1000 competition index. Screenshot main information. Connection via modem when the pc and the rgk are located at a considerable distance from one another it is possible to establish remote control through a pair of modems. Open the catalog to page 2.
Description wt supply v kg 31 rgam 12 12vdc standard version 1014 31 rgam 24 24vdc parameter programming via keypad on unit front equipped with serial rs232 port for remote control by personal computer via normal or gsm modem for supervision troubleshooting and maintenance purposes. 12vdc or 24vdc keypad on unit front operating range at 12v. V kg 31 rgam 12 12vdc standard version 1014 operational characteristics 31 rgam 24 24vdc parameter supply circuit programming via battery supply us. 62 165vdc equipped with serial operating range at 24v.










