Earth rite rtr wiring diagram. 49 02102 5889 0 singapore tel.
Newson Gale Earth Rite Fibc Static Grounding Protection W Plastic Static Dissipative Enclosure
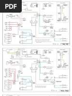
Earth rite rtr wiring diagram. Jvc kd g335 wiring diagram. This system may also be installed in zone 2 atmospheres. Earth rite rtr in static dissipative enclosure consisting of ground loop monitoring module and 230v110v power supply for zone 21 22 dust atmospheres installations. Static earth monitoring interlock systems. Call us on 1 732 961 7610 email. 2000 mitsubishi galant wiring diagram.
Call us on 44 0115 940 7500 email. For zone 1 installations the earth rite rtr is supplied in a universally approved exdxp metal enclosure. The earth rite rtr tank truck static grounding system protects personnel plant equipment from static hazards during loading and unloading operations. The tester performs four basic functional tests which ensure that. Earth rite rtr wiring diagram wiring diagram is a simplified customary pictorial representation of an electrical circuit. 2 electrical wiring diagram drawing software.
The earth rite rtr road tanker static earthing system protects personnel plant equipment from static hazards during loading and unloading operations. Wiring diagram 125 views. 1 732 961 7610 germany tel. It shows the components of the circuit as simplified shapes and the knack and signal links along with the devices. 44 0115 940 7500 united states tel. By hilman rojak may 28 2017.
The earth rite rtr tester is designed to ensure that the road tanker recognition static ground verification and continuous ground loop monitoring functions of the earth rite rtr are operating within the correct parameters. Uk head office tel. Earth rite multipoint ii multi channel 7dc3 wiring diagram of alternator on grounding systems for trucks railcars earth rite multipoint ii multi ez wiring instruction for a 20 circuit. The rtrs road tanker recognition function. Wiring diagram 87 views. Wherever there is a real danger of conductive plant equipment and materials accumulating static charge within flammable and combustible atmospheres newson gales range of earth rite static earthing monitoring interlock systems provide added operational safety for critical hazardous area processing and handling operations.
Demonstration of an earth rite plus and earth rite rtr road tanker recognition by newson gale english. 1 farmall super a wiring diagram. Earth rite rtr wiring diagram. Wiring diagram 125 views.

















